


產品中心
傳動鏈條
- 標準傳動鏈條 >
- 重載系列傳動滾子鏈條 >
- 開口銷型傳動滾子鏈條 >
- 高強度傳動鏈條 >
- 特殊傳動鏈條 >
- 免加油自潤滑傳動鏈條 >
- 耐環境傳動鏈條 >
- 齒形鏈條 >
- 石油鏈條 >
- 鏈條配件 >
小型輸送鏈條
- 通用小型輸送鏈條 >
- 免加油小型輸送鏈條 >
- 耐環境小型輸送鏈條 >
- 帶滾輪輸送鏈條 >
- 倍速鏈條 >
- 空心銷軸鏈條 >
- 側彎鏈條 >
- 尖齒鏈條 >
- 帶橡膠附板鏈條 >
- 帶U型附件鏈條 >
- 夾膜鏈條 >
- 工程塑料內節鏈條 >
- 塑料滾子鏈條 >
- 塑料輥道鏈條 >
- 中孔鏈條 >
- 特殊小型輸送鏈 >
- 帶特殊附件輸送鏈 >
大型輸送鏈條
- 通用大型輸送鏈條 >
- 特殊大型輸送鏈條 >
- 大型空心銷軸輸送鏈條 >
- 軸承滾子大型輸送鏈條 >
- 耐環境大型輸送鏈條 >
- 帶滾輪大型輸送鏈條 >
- 倍速大型輸送鏈條 >
- 滾針套筒大型輸送鏈條 >
- 帶特殊附件大型輸送鏈條 >
- 針對特殊用途輸送鏈條 >
- 大型輸送鏈條配件 >
特種輸送鏈條
- 電子波峰焊行業應用 >
- 電鍍設備行業應用 >
- 造紙廠行業應用 >
- 制藥廠包裝機行業應用 >
- 汽車廠行業應用 >
- 牙膏包裝輸送線行業應用 >
- 光伏設備制造行業應用 >
- 畜牧業自動化包裝機鏈條 >
- 巧克力食品行業應用 >
- 人造板/木地板制造行業應用 >
- 醫療設備行業應用 >
- 啤酒廠易拉罐生產線輸送鏈條 >
- 速凍隧道鏈條 >
- 糖機鏈條 >
- 啤酒灌裝輸送鏈條 >
- 人造板輸送鏈條 >
- 噴涂設備輸送鏈條 >
- 煙草機械輸送鏈條 >
- 提升機用鏈條 >
- 紡織機械用鏈條 >
- 紙卷用輸送鏈條 >
- 印鐵烘房線鏈條 >
- 雙向活動鏈條 >
- 刮板輸送鏈條 >
- 洗煤機用輸送鏈條 >
- 堆取料機輸送鏈條 >
- 橡膠手套輸送鏈條 >
- 污水處理輸送鏈條 >
- 雙鉸接輸送鏈條 >
- 鋼廠用輸送鏈條 >
- 塊式輸送鏈條 >
- 筑路機械鏈條 >
- 棕油鏈條 >
- 汽車生產線鏈條 >
- 軟管專用鏈條 >
- 聚酯薄膜橫拉鏈條 >
- 鋪路機用鏈條 >
- 包裝機械鏈條 >
- 挖溝機鏈條 >
- 礦山冶金鏈條 >
- 木材輸送鏈條 >
- 糧食機械輸送鏈條 >
- 垃圾處理用輸送鏈條 >
- 鋼卷傳輸用輸送鏈條 >
工程鏈條
- 工程鋼制套筒鏈條 >
- 鋼制銷合鏈條 >
- 焊接結構彎板鏈條 >
- 曳引用焊接結構彎板鏈條 >
起重鏈條
- 板式鏈條 >
- 堆高機用板式鏈條 >
- LH系列板式鏈連接環 >
- LL系列板式鏈連接環 >
- LH系列板式鏈連接銷軸 >
- LL系列板式鏈鏈接銷軸 >
- 多板銷軸鏈條 >
- 無滾子提升鏈條 >
不銹鋼鏈條
- 不銹鋼滾子鏈條 >
- 不銹鋼滾子鏈條附件 >
- 不銹鋼雙節距輸送鏈條 >
- 不銹鋼雙節距輸送鏈條附件 >
- 不銹鋼空心銷軸鏈條 >
- 不銹鋼側彎鏈條 >
- 不銹鋼加長銷輸送鏈條 >
- 不銹鋼倍速鏈條 >
- 不銹鋼帶滾輪輸送鏈條 >
- 不銹鋼大型輸送鏈 >
- 不銹鋼特種輸送鏈條 >
頂板鏈/鏈板
鏈輪
- 銷齒傳動 >
同步帶輪
- XLH標準梯形齒同步帶輪 >
- HTP圓弧齒同步帶輪 >
- T型齒同步帶輪 >
- AT型齒同步帶輪 >
- BTL錐孔同步帶輪 >
- HTP型錐孔同步帶輪 >
齒輪齒條
蝸輪蝸桿
聯軸器
聯結件
- B系列脹緊套 >
- E系列脹緊套 >
- D系列脹緊套 >
- F系列脹緊套 >
- T系列脹緊套 >
- ML系列脹緊套 >
- HL系列脹緊套 >
- SD系列脹緊套 >
- SS系列脹緊套 >
- SK系列脹緊套 >
- BTL系列錐套 >
- QTL系列錐套 >
- STL系列錐套 >
圓環鏈&吊具
- 礦用圓環鏈條 >
- 冶金專用吊具系列鏈條 >
- 吊裝圓環鏈條 >
- 提升圓環鏈條 >
- 船用/捕魚用圓環鏈條 >
- 出渣機用圓環鏈條 >
- 景觀橋索鞍索夾 >
輸送帶
- 鋼絲繩芯輸送帶 >
- 織物芯輸送帶 >
- 礦用耐沖擊輸送帶 >
- 芳綸輸送帶1 >
- 耐高溫輸送帶 >
- 阻燃輸送帶 >
- 金屬網芯輸送帶1 >
- 鋼絲繩牽引輸送帶1 >
- 管狀輸送帶 >
- 花紋輸送帶2 >
- 覆蓋帶 >
- 擋邊輸送帶 >
- 防附著輸送帶2 >
- 節電型輸送帶2 >
- 防撕裂輸送帶 >
- 隧道用輕型鋼絲繩芯輸送帶2 >
- 特殊高伸長度聚酯帆布輸送帶2 >
- 提升帶1 >
- 夾帶式輸送機覆蓋帶1 >
- 水壓機外胎(膠墊)1 >
- 實際案例 >
脹緊套
離合器
過載保護設備
產品介紹規格型號
| 鏈條導軌特點 |
◎ 鏈條導軌也叫鏈條導向件,是一種靜壓導軌, 用于支撐和導向鏈條,減少鏈條磨擦,降低噪音,增強鏈條使用壽命。
◎ 高耐磨、耐溫、精密、穩固、無聲、環保等高精度的鏈條導向。
◎ 采用840萬超高分子量耐磨,耐溫工程塑料“UPE’材料,具有經濟,無污染特性。
◎ 磨損小、摩擦阻力小、自行潤滑(不需任何潤滑油),具有抗沖擊性。使用溫度范圍-200 +80C。具有減震作用在潮濕環境下不易受潮,具有高的抗化學性能。有抗腐蝕性。
◎ 通過歐盟EU和美國FDA認證,可直接和食品接觸使用,適合食品衛生要求。
| 應用場合 |
◎ 印刷行業機械制造,食品包裝機械,醫療器械,車輛制造及運輸工業,紡織工業,自動化領域,非標自動化流水線、輸送線,貼窗機,激光切割機械等行業。
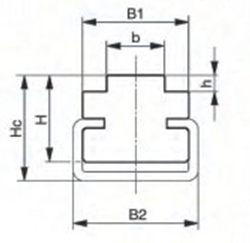
| 型號規格尺寸 |

| 隆德鏈號 | 尺寸 | S-C型 鋼槽 | B1 | B2 | H | Hc | b | h |
| ins. | mm | mm | mm | mm | mm | mm | ||
| LD06B-1 | 3/8"×7/32" | C3 | 17 | 20 | 14 | 17 | 5.4 | 1.5 |
| LD08B-1 | 1/2"×5/16" | C3 | 17 | 20 | 14 | 17 | 7.4 | 2.2 |
| LD10B-1 | 5/8"×3/8" | C3 | 17 | 20 | 14 | 17 | 9.3 | 2.6 |
| LD12B-1 | 3/4"×7/16" | C3 | 20 | 20 | 14 | 17 | 11.3 | 2.4 |
| LD12B-1 | 3/4"×7/16" | C5 | 24 | 28 | 14 | 18 | 11.3 | 2.4 |
| LD16B-1 | 1"×17mm | C5 | 24 | 28 | 14 | 18 | 16 | 3.5 |
| LD20B-1 | 1 1/4"×3/4" | C5 | 28 | 28 | 14 | 18 | 18 | 4.2 |
| LD24B-1 | 1 1/2"×1" | C9 | 33 | 38 | 23 | 30 | 24 | 5.5 |
| LD28B-1 | 1 3/4"×31mm | C9 | 38 | 38 | 23 | 30 | 30 | 6.8 |
| LD32B-1 | 2"×31mm | C9 | 38 | 38 | 23 | 30 | 30 | 7.7 |
| LD32B-1 | 2"×31mm | C12 | 60 | 60 | 25 | 35 | 30 | 7.7 |
| LD35 | 3/8"×3/16" | C3 | 17 | 20 | 14 | 17 | 4.4 | 2.3 |
| LD40 | 1/2"×5/16" | C3 | 17 | 20 | 14 | 17 | 7.4 | 2.4 |
| LD50 | 5/8"×3/8" | C3 | 17 | 20 | 14 | 17 | 8.8 | 2.8 |
| LD60 | 3/4"×1/2" | C3 | 20 | 20 | 14 | 17 | 11.8 | 3.5 |
| LD80 | 1"×5/8" | C5 | 24 | 28 | 14 | 20 | 14.8 | 4.7 |
| LD100 | 1 1/4"×3/4" | C5 | 24 | 28 | 18 | 23 | 17.8 | 6.4 |
| LD120 | 1 1/2"×1" | C9 | 33 | 38 | 22 | 30 | 23.7 | 8 |
| LD140 | 1 3/4"×1" | C9 | 33 | 38 | 25 | 32 | 23.7 | 9.7 |
| LD160 | 2"×1 1/4" | C12 | 55 | 60 | 30 | 40 | 29.7 | 11.3 |
※尺寸為英寸。

粵公網安備 44011202001507號