


產品中心
傳動鏈條
- 標準傳動鏈條 >
- 重載系列傳動滾子鏈條 >
- 開口銷型傳動滾子鏈條 >
- 高強度傳動鏈條 >
- 特殊傳動鏈條 >
- 免加油自潤滑傳動鏈條 >
- 耐環境傳動鏈條 >
- 齒形鏈條 >
- 石油鏈條 >
- 鏈條配件 >
小型輸送鏈條
- 通用小型輸送鏈條 >
- 免加油小型輸送鏈條 >
- 耐環境小型輸送鏈條 >
- 帶滾輪輸送鏈條 >
- 倍速鏈條 >
- 空心銷軸鏈條 >
- 側彎鏈條 >
- 尖齒鏈條 >
- 帶橡膠附板鏈條 >
- 帶U型附件鏈條 >
- 夾膜鏈條 >
- 工程塑料內節鏈條 >
- 塑料滾子鏈條 >
- 塑料輥道鏈條 >
- 中孔鏈條 >
- 特殊小型輸送鏈 >
- 帶特殊附件輸送鏈 >
大型輸送鏈條
- 通用大型輸送鏈條 >
- 特殊大型輸送鏈條 >
- 大型空心銷軸輸送鏈條 >
- 軸承滾子大型輸送鏈條 >
- 耐環境大型輸送鏈條 >
- 帶滾輪大型輸送鏈條 >
- 倍速大型輸送鏈條 >
- 滾針套筒大型輸送鏈條 >
- 帶特殊附件大型輸送鏈條 >
- 針對特殊用途輸送鏈條 >
- 大型輸送鏈條配件 >
特種輸送鏈條
- 電子波峰焊行業應用 >
- 電鍍設備行業應用 >
- 造紙廠行業應用 >
- 制藥廠包裝機行業應用 >
- 汽車廠行業應用 >
- 牙膏包裝輸送線行業應用 >
- 光伏設備制造行業應用 >
- 畜牧業自動化包裝機鏈條 >
- 巧克力食品行業應用 >
- 人造板/木地板制造行業應用 >
- 醫療設備行業應用 >
- 啤酒廠易拉罐生產線輸送鏈條 >
- 速凍隧道鏈條 >
- 糖機鏈條 >
- 啤酒灌裝輸送鏈條 >
- 人造板輸送鏈條 >
- 噴涂設備輸送鏈條 >
- 煙草機械輸送鏈條 >
- 提升機用鏈條 >
- 紡織機械用鏈條 >
- 紙卷用輸送鏈條 >
- 印鐵烘房線鏈條 >
- 雙向活動鏈條 >
- 刮板輸送鏈條 >
- 洗煤機用輸送鏈條 >
- 堆取料機輸送鏈條 >
- 橡膠手套輸送鏈條 >
- 污水處理輸送鏈條 >
- 雙鉸接輸送鏈條 >
- 鋼廠用輸送鏈條 >
- 塊式輸送鏈條 >
- 筑路機械鏈條 >
- 棕油鏈條 >
- 汽車生產線鏈條 >
- 軟管專用鏈條 >
- 聚酯薄膜橫拉鏈條 >
- 鋪路機用鏈條 >
- 包裝機械鏈條 >
- 挖溝機鏈條 >
- 礦山冶金鏈條 >
- 木材輸送鏈條 >
- 糧食機械輸送鏈條 >
- 垃圾處理用輸送鏈條 >
- 鋼卷傳輸用輸送鏈條 >
工程鏈條
- 工程鋼制套筒鏈條 >
- 鋼制銷合鏈條 >
- 焊接結構彎板鏈條 >
- 曳引用焊接結構彎板鏈條 >
起重鏈條
- 板式鏈條 >
- 堆高機用板式鏈條 >
- LH系列板式鏈連接環 >
- LL系列板式鏈連接環 >
- LH系列板式鏈連接銷軸 >
- LL系列板式鏈鏈接銷軸 >
- 多板銷軸鏈條 >
- 無滾子提升鏈條 >
不銹鋼鏈條
- 不銹鋼滾子鏈條 >
- 不銹鋼滾子鏈條附件 >
- 不銹鋼雙節距輸送鏈條 >
- 不銹鋼雙節距輸送鏈條附件 >
- 不銹鋼空心銷軸鏈條 >
- 不銹鋼側彎鏈條 >
- 不銹鋼加長銷輸送鏈條 >
- 不銹鋼倍速鏈條 >
- 不銹鋼帶滾輪輸送鏈條 >
- 不銹鋼大型輸送鏈 >
- 不銹鋼特種輸送鏈條 >
頂板鏈/鏈板
鏈輪
- 銷齒傳動 >
同步帶輪
- XLH標準梯形齒同步帶輪 >
- HTP圓弧齒同步帶輪 >
- T型齒同步帶輪 >
- AT型齒同步帶輪 >
- BTL錐孔同步帶輪 >
- HTP型錐孔同步帶輪 >
齒輪齒條
蝸輪蝸桿
聯軸器
聯結件
- B系列脹緊套 >
- E系列脹緊套 >
- D系列脹緊套 >
- F系列脹緊套 >
- T系列脹緊套 >
- ML系列脹緊套 >
- HL系列脹緊套 >
- SD系列脹緊套 >
- SS系列脹緊套 >
- SK系列脹緊套 >
- BTL系列錐套 >
- QTL系列錐套 >
- STL系列錐套 >
圓環鏈&吊具
- 礦用圓環鏈條 >
- 冶金專用吊具系列鏈條 >
- 吊裝圓環鏈條 >
- 提升圓環鏈條 >
- 船用/捕魚用圓環鏈條 >
- 出渣機用圓環鏈條 >
- 景觀橋索鞍索夾 >
輸送帶
- 鋼絲繩芯輸送帶 >
- 織物芯輸送帶 >
- 礦用耐沖擊輸送帶 >
- 芳綸輸送帶1 >
- 耐高溫輸送帶 >
- 阻燃輸送帶 >
- 金屬網芯輸送帶1 >
- 鋼絲繩牽引輸送帶1 >
- 管狀輸送帶 >
- 花紋輸送帶2 >
- 覆蓋帶 >
- 擋邊輸送帶 >
- 防附著輸送帶2 >
- 節電型輸送帶2 >
- 防撕裂輸送帶 >
- 隧道用輕型鋼絲繩芯輸送帶2 >
- 特殊高伸長度聚酯帆布輸送帶2 >
- 提升帶1 >
- 夾帶式輸送機覆蓋帶1 >
- 水壓機外胎(膠墊)1 >
- 實際案例 >
脹緊套
離合器
過載保護設備
產品介紹規格型號
簡介 |
◎ 同步帶輪傳動是由一根內周表面設有等間距齒的封閉環形膠帶和相應的帶輪所組成。
◎ 運動時,帶齒與帶輪的齒槽相嚙合傳遞運動和動力,是一種嚙合傳動,因而具有齒輪傳動、鏈傳動和平帶傳動的各種特點 。
特點 |
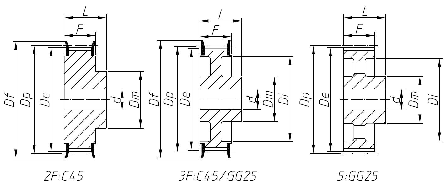
◎ 同步帶輪一般由鋼,鋁合金,鑄鐵,黃銅,等材料制造。內孔有圓孔,D形孔,錐形孔等形式。
◎ 表面處理有本色氧化,發黑,鍍鋅,鍍彩鋅,高頻淬火等處理。精度等級依客戶要求而定。
◎ 傳動準確,工作時無滑動,具有恒定的傳動比。
◎ 傳動平穩,具有緩沖、減振能力,噪聲低。
◎ 傳動效率高,可達0.98,節能效果明顯。
◎ 維護保養方便,不需潤滑,維護費用低。
◎ 速比范圍大,一般可達10,線速度可達50m/s,具有較大的功率傳遞范圍,可達幾瓦到幾百千瓦。
◎ 可用于長距離傳動,中心距可達10m以上。
◎ 無污染,可在不允許有污染和工作環境較為惡劣的場所下正常工作。
用途 |
◎ 廣泛應用于汽車、紡織、印刷包裝設備、縫制設備、辦公設備、激光雕刻設備、煙草、金融機具、舞臺燈光、通訊食品機械、醫療機械、
鋼鐵機械、石油化工、儀器儀表、各種精密機床等領域。
型號表示 |

(1)齒數:28
(2)型號規格,節距14mm
(3)同步帶寬度40mm
(4)帶法蘭


粵公網安備 44011202001507號